三星貼片電容物料編碼識別規則對照表
瀏覽次數:3306
|
發布日期:2020-11-24
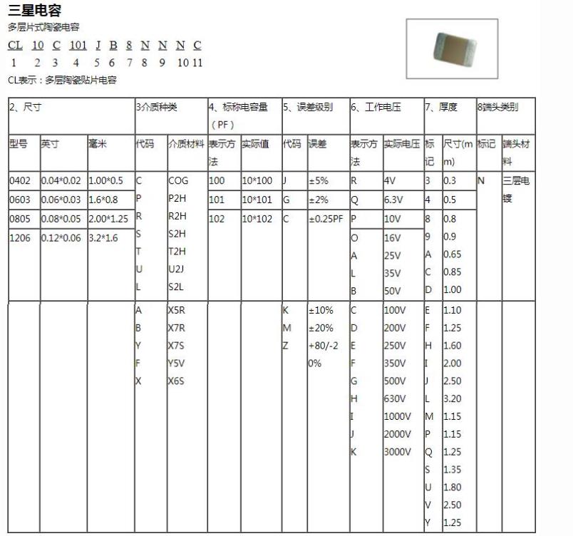
三星(SAMSUNG)貼片電容-最近很多人電子采購員在采購三星貼片電容,不知道三星貼片電容規格型號,參數怎么表示方法:今天超翔電子小編整理了三星貼片電容規格對照表供大家參考:希望對您有所幫助。如需要采購三星貼片電容,請聯系超翔電子銷售業務員,我們會跟據您的需求進行合理的報價,讓你買的開心用的放心!
三星貼片電容規格對照表:


三星貼片電容規格對照表:

- 上一篇 >: 三星貼片電容命名規則中文
- 下一篇 >: 哪種貼片電容價格會比較便宜?




